Digital (DCC) - INTERFACE

 

  DESCRIÇÃO   CABO LIGAÇÃO   CONFIGURAÇÃO   MÓDULO DE FEEDBACK   LIGAÇÃO AO SISTEMA DCC

  HOME

DESCRIÇÃO

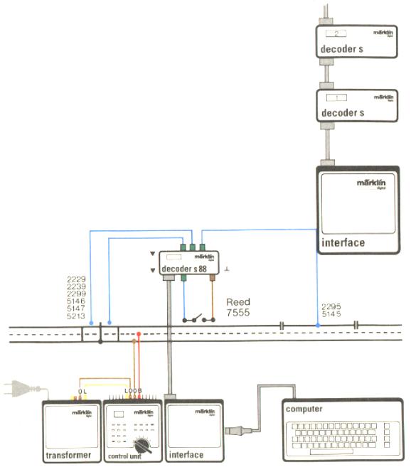
O Interface é o elemento do Sistema DCC que perimite o seu controle a partir dum computador.

Dado que o computador pode, através de software próprio, gerar todo o tipo de comandos do sistema DCC, o interface, em última análise pode substituir todos os elementos de controle ligados à Unidade central (keyboard, Memory, Control de Máquinas, etc).

Complementarmente o Interface aceita os sinais de Input dos Módulos de Feedback (s88 - Marklin 6088).

A ligação ao computador é efectuada através duma ligação à porta série RS-232.

CABO DE LIGAÇÃO (COMPUTADOR - INTERFACE)

É o cabo que permite a ligação entre o Interface e o Computador. Na versão do Interface 6051 o cabo já vem fornecido, enquanto que na versão mais antiga 6050 tinha de ser construído segundo o diagrama abaixo:



Os "DIP switches"

Existem 4 pequenos "DIP-switches" na traseira do Interface, que se destinam a controlar o fluxo de comunicação com o computador. 

Switch Afecta ON significa Off significa

1

TD

Negative logic Positive logic

2

RD

Negative logic Positive logic

3

CTS

Negative logic Positive logic

4

TTL level

TTL level RS-232 level

Para as comunicações normais para um computador PC (Dos / Windows), o posicionamento correcto dos "dip-swiches" é o seguinte: 1-ON; 2-ON; 3-OFF; 4-OFF (ver imagem)



Ligação do Interface ao Sistema DCC

O Interface apenas tem um conector no seu lado esquerdo, sendo sempre a última unidade do sistema DCC a ser ligada do lado direito da Unidade Central (ou da Control Unit).


Ligação ao Módulo de Feedback (s88)

Os módulos de feedback (encoders s88 - Marklin 6088) são ligados, através dum "flat cable" com eles fornecido, à traseira do Interface. O cabo só tem uma posição de ligação, existindo, no entanto a possibilidade de ligação ao contrário pelo uso de força excessiva. Assim, só na posição correcta é que o cabo entra perfeitamente nunca devendo ser forçado:

O cabo deve ser ligado com a ponta cortada virada para baixo tanto no Interface como no Módulo de Feedback. O condutor marcado a azul (ao longo do seu comprimento) deve ficar sempre para a direita, se visto de cima.

Finalmente, nunca se devem confundir os cabos do Módulo de Feedback (6 condutores) com os cabos do Booster (5 condutores).

Podem ser ligados até 31 Módulos de Feedback, em série.


 

-----------------------------------------------------------------------------------------------------------------------

HOME
Copyright © 2000 [Luis Valente]. All rights reserved.
Revised: 31 Dezembro, 2002